Le Gestion de l'énergie
La gestion de l'énergie est réalisée par la puissance du schéma électrique:

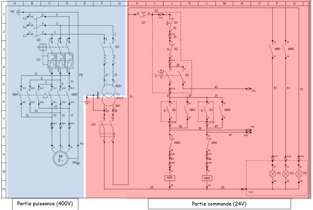
La gestion de l'énergie est réalisée par la partie puissance du schéma électrique:

Elle doit assurer plusieurs fonctions :
- La sécurité des personnes grâce au sectionneur qui permet d'isoler la machine du réseau d'alimentation lors d'interventions
- La protection contre les courts-circuits grâce à un dispositif magnétique type disjoncteur moteur (ou par fusibles aM- Coordination type 1)
- L'établissement ou la coupure de l'alimentation des actionneurs (Moteurs, Etc...) sont réalisées par les contacteurs
- La protection des actionneurs et de leur ligne d'alimentation contre les surcharges par le dispositif thermique du disjoncteur moteur (ou par relais thermique - Coordination type 1)
Created with the Personal Edition of HelpNDoc: Free EBook and documentation generator

